г. Владимир и Владимирская область
8 (958) 756-82-26 Новгородская область
8 (958) 756-82-26 Владимирская область
8 (958) 756-82-26 Вологодская область
8 (958) 756-82-26 Ивановская область
8 (958) 756-82-26 Калужская область
8 (958) 756-82-26 Костромская область
8 (495) 777-56-23 Московская область
8 (958) 756-82-26 Нижегородская область
8 (958) 756-82-26 Новгородская область
8 (4852) 60-72-57 Ярославская область
8 (958) 756-82-26 Рязанская область
8 (812) 602-73-84 Ленинградская область
8 (4822) 75-56-74 Тверская область
8 (958) 756-82-26 Тульская область
8 (958) 756-82-26 Вологодская область
8 (4852) 60-72-57 Ярославская область
8 (958) 756-82-26 мегафон северо-запад
8 (800) 551-73-70 звонок по России бесплатный
город: Владимир

К6 Проект каркасного дома 7 x 8 м с полуторным этажом и разноскатной крышей

Домокомплект каркасного дома

Силовой каркас дома , изготовлен из пиломатерила атмосферной сушки. Все инженерные расчеты, допуски и технология производства силового каркаса выполнены строго по своду правил СП 31-105-2002.

Элементы каркаса остроганы на станке с 4-х сторон, распилены в размер с погрешностью +-3мм, промаркированы и упакованы в транспортные паллеты (не предназначенные для длительного хранения) весом до 3т для дальнейшей транспортировки.

Сечения пиломатериалов после обработки на станке:

  • каркас наружных и несущих стен, лежни, мауэрлат - 45х145 мм
  • каркас внутренних перегородок - 45х95 мм
  • перекрытия (лаги) - 45х195 мм
  • стропила - 45х195 мм
  • укосины - 45х145 мм
  • опорные столбы (террасы, крыльца) - 145х145 мм

В комплект силового каркаса также входят чертежи и схемы для сборки каркаса.

БЕСПЛАТНАЯ ДОСТАВКА в пределах Московской, Ярославской, Тверской, Нижегородской, Ивановской, Владимирской, Костромской, Вологодской областей. За пределами - от 150р./км

Дополнительные работы

Каркас

Монтаж каркаса
Сборка каркаса производится нашими профессиональными строительными бригадами с гарантией качества по договору строительного подряда. Весь каркас собирается на стальные обычные гвозди 120 мм.
img примеры работ
сбросить

Антисептирование

Антисептик Neomid 430
Антисептирование каркаса производится методом полного погружения досок в раствор Neomid 430.
сбросить

Обвязочный брус

Составной обвязочный брус 150х200
Обвязка столбчатого фундамента досками сечением 50х200, которые составляются в ряд по три штуки, образуя составной брус сечением 150х200, и прокалачиваются стальными гвоздями 120мм.
img примеры работ
сбросить

Кровля

Гибкая черепица
В комплект кровли входит гибкая черепица Технониколь Оптима, мембрана Спанлайт АМ, контр-обрешетка (брусок сечением 50х50), обрешетка (доска сечением 25х100), ОСП-плита (OSB-3, 9 мм). В стоимость входят все материалы, метизы и работы по устройству кровли из гибкой черепицы.
img примеры работ
Кликфальц (кровля)
Кровля кликфальц Grand Line монтируется на сплошную обрешетку из доски сечением 25х100 и контробрешетку из бруска сечением 50х50 мм. На стропила укладывается мембрана категории АМ. В стоимость входят все материалы, метизы и работы по устройству кровли кликфальц.
img примеры работ
Металлочерепица (0,5мм)
Металлочерепица Монтерей 0.5 мм, укладывается на обрешетку из доски сечением 25х100 и контробрешетку из бруска сечением 50х50 мм. На стропила укладывается мембрана категории АМ. Цвет кровли на выбор заказчика по таблице RAL. В стоимость входят все материалы, метизы и работы по устройству кровли металлочерепицей.
img примеры работ
Ондулин
Ондулин укладывается на обрешетку из доски сечением 25х100 и контробрешетку из бруска сечением 50х50 мм. На стропила укладывается мембрана категории АМ. Цвет ондулина на выбор заказчика по таблице RAL. В стоимость входят все материалы, метизы и работы по устройству кровли ондулином.
img примеры работ
Профлист НК-21 (0,45мм)
Лист профильный НК-21 0.45 мм, укладывается на обрешетку из доски сечением 25х100 и контробрешетку из бруска сечением 50х50 мм. На стропила укладывается мембрана категории АМ. Цвет профлиста на выбор заказчика по таблице RAL. В стоимость входят все материалы, метизы и работы по устройству кровли профлистом.
img примеры работ
сбросить

Карнизы

Имитация бруса
Имитация бруса - доска сечением 20х140мм камерной сушки крепится желтыми саморезами по дереву непосредственно к силовому каркасу, через мембрану категории А. В стоимость входят все материалы, метизы и работы по устройству внешней отделки имитацией бруса.
img примеры работ
Пластиковые софиты
Пластиковые софиты со специальными доборными элементами для монтажа. В стоимость входят все материалы, метизы и работы по устройству карнизов пластиковыми софитами.
img примеры работ
сбросить

Фасад

Имитация бруса
Имитация бруса - доска сечением 20х140мм камерной сушки крепится желтыми саморезами по дереву непосредственно к силовому каркасу, через мембрану категории А. В стоимость входят все материалы, метизы и работы по устройству внешней отделки имитацией бруса, без учета карнизов и потолков террас (балконов).
img примеры работ
Имитация бруса + профлист
Имитация бруса - доска сечением 20х140мм камерной сушки крепится желтыми саморезами по дереву непосредственно к силовому каркасу, через мембрану категории А. Лист профильный НК-21 0.45 мм, укладывается на обрешетку из доски сечением 25х100 с шагом 300-400мм и контробрешетку из доски сечением 25х100 мм, мембрана категории А. В стоимость входят все материалы, метизы и работы по устройству комбинированной внешней отделки имитацией бруса и профлистом, без учета карнизов и потолков террас (балконов).
img примеры работ
Кликфальц (фасад)
Фасад кликфальц Grand Line монтируется на обрешетку из доски сечением 25х100 с шагом 300-400мм и контробрешетку из доски сечением 25х100 мм. По фасаду на каркас укладывается мембрана категории А. В стоимость входят все материалы, метизы и работы по устройству фасада кликфальц.
img примеры работ
ОСП
ОСП-плита OSB-3, толщиной 9 мм, которая крепится черными саморезами 35 мм по дереву на горизонтальную обрешетку из доски сечением 25х100 мм с шагом 400-500 мм, смонтированную на каркас обычными гвоздями 70 мм. По внешнему контуру каркаса укладывается мембрана категории А. Без учета карнизов и потолков террас (балконов).
img примеры работ
Фасадная плитка HAUBERK
Фасадная плитка ТехноНИКОЛЬ HAUBERK крепится на ОСП-плиту (OSB-3 толщиной 9 мм). Монтаж ОСП производится черными саморезами 35 мм по дереву на горизонтальную обрешетку из доски сечением 25х100 мм с шагом 400-500 мм. Обрешетка монтируется на каркас обычными гвоздями 70 мм. По внешнему контуру каркаса укладывается мембрана категории А.
img примеры работ
ЦСП
ЦСП-плита, толщиной 10 мм, которая крепится желтыми саморезами 35 мм по дереву на горизонтальную обрешетку из доски сечением 25х100 мм с шагом 400-500 мм, смонтированную на каркас обычными гвоздями 70 мм. По внешнему контуру каркаса укладывается мембрана категории А. Без учета карнизов и потолков террас (балконов).
img примеры работ
сбросить

Утепление

Утепление Кнауф
Утепление производится утеплителем Кнауф TS037, согласно всем нормам СП 31-105-2002. Утепляются все перекрытия и все стены дома на всю толщину каркаса. На пол укладывается доска сечением 25х150 мм. Стены дома и потолок внутри обшиваются обрешеткой из доски сечением 25х100 мм с шагом 400-500 мм.
img примеры работ
сбросить

Контур-утепление (фасад)

Контур-утепление Кнауф
Контур-утепление производится на 50мм утеплителем Кнауф TS037, согласно всем нормам СП 31-105-2002. Стены дома обшиваются бруском 50х50х3000 мм, укладывается утеплитель и мембрана А.
img примеры работ
сбросить


Данные проекта

Ширина дома 7 м
Длина дома 8 м
Общая площадь 104 м2
Жилая площадь 98 м2
Второй этаж Полуторный
Крыша Разноскатная
Цена каркаса 860 000 руб.
Цена со скидкой
до 11.12.2025
748 000 руб.

Чертежи проекта

Фундамент
Схема ленточного фундамента.
  • img
  • img
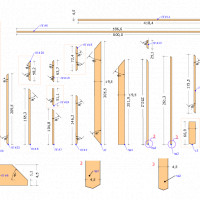
Чертежи
Конструктивное решение (КР) силового каркаса дома.
  • img
  • img
  • img
  • img
  • img
  • img
Раскрой досок
Раскрой досок по размерам с шаблонами запилов и углов.
  • img
  • img
  • img
  • img
  • img
  • img

Версии проекта К6

Вы можете выбрать интересующий вас проект на странице все проекты или заказать индивидуальный проект по кнопке ниже.

Похожие проекты

Популярные проекты

icon
Спасибо, Ваша заявка принята!
Наш менеджер свяжется с Вами в ближайшее время.